18592 | 132-513901

2xKlemmstein dick, SP-motor Aluminium mit 2x12mmSchroef passend fr

Aantal Prijs ex btw
1 - 9 € 30,88
Vanaf 10 € 26,85
  • Merk
  • Materiaal / Kleur
  • Opties
  • Elektrobeslag type

Deze combinatie bestaat niet.

Binnenkort voorradig
Levertijd in werkweken (±): 3

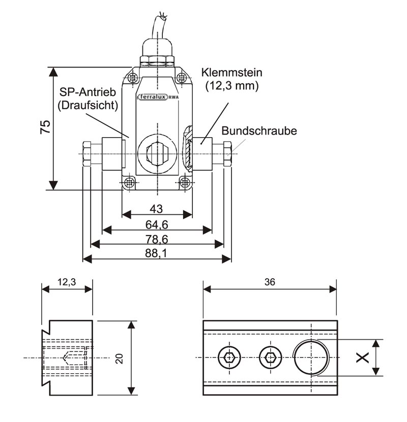
Klemstuk (dik).

Uitvoering:
- Klemstuk (dik), paar, voor SP motor.
- Dik 12,3mm.
- Voorzien van boordiameter 8,1mm (132-513.905).
- Voorzien van schroefdraad G 1/8" (132-513.901), voor console K 5 of K 7,
inclusief 2 x bevestigingsschroef rond 12mm (132-172.800).

Te leveren materiaal en oppervlaktebehandeling:
- Klemstuk, aluminium geanodiseerd naturel EV 1.
- Poederlak, kleur volgens RAL .... , startkosten voor lakken mogelijk.

Merk: Aumüller
Materiaal / Kleur: Alu EV1
Opties: Montageset motor
Elektrobeslag type: Spindelmotor