+31 (0)478 519 770
0
Assortiment
Akotherm Profielen
AT575 Ramen Staal Design
AT575 Raam Profielen
AT575 Glaslat Profielen
AT575 Extra Profielen
AT575 PVC Profielen
AT740 Ramen
AT740 Raam Profielen
AT740 Glaslat Profielen
AT740 Extra Profielen
AT740 PVC Profielen
AT740 Deuren
AT740 Deur Profielen
AT740 Glaslat Profielen
AT740 Extra Profielen
AT740 PVC Profielen
Insectenhorren
Profielen
Akotherm Dichtingen
Aanslagdichting
Middendichting
Diverse
Glasdichting
Akotherm Toebehoren
(EPDM) Vormdelen
Isolatoren
Bevestigingsmiddelen
Hoek- en T-verbinders
Valdorpels
Lijmen en Reiniger
Akotherm beschermfolie
Diverse
Gereedschappen
Raambeslag
Akotherm raambeslag
Notter raambeslag
Complete beslagset
Set vleugel- en kozijndelen
Scharnieren
Scharen
Raamgrepen
Hoogte- breedtesluiting
Accessoires
Hautau Primat FL / A
Scharen en raambok
Bediening
Stang en afdekkap
Overbrengingen
Accessoires
Inbouw raambeslag
Scharnieren
Uitzetzakscharen UZZ/DF
Parallelscharen PX
Begrenzingsscharen
Opbouw raambeslag
Raamknip
Raamboom
Raamgreep
Dakraam openers
Deurbeslag
Profielcilinders
Standaard Profielcilinder
Halve Profielcilinder
Standaard Knopcilinder
Halve Knopcilinder
Sloten en Sluitplaten
Meerpuntsloten
Dag- en nachtsloten
Dagsloten
Nachtsloten
Sluitplaten
Deurgrendels
Espagnolet grendel
Kantschuif grendel
Stangen en Accessoires
Deurkrukken
Serie Krux-Pro
Serie Sanoco
Accessoires
Cilinderrozet
Deurduwers
Sanoco T RVS
Deurscharnieren
Savio Mechanica MKW
Dievenklauw
Brievenbus
Deurvastzetters, -stoppers
Deurvastzetters
Windhaken
Slagbegrenzer
Deurborstel
Deursluiters
Deurdrangers
Schuifdeurbeslag
Schuifdeurwielen
Knijpsluiting
Bijzetslot
Elektrobeslag
Aumüller elektromotoren
Tandheugelmotoren LKS
Spindelmotoren SP
Spindelmotoren PL, PLA, PLS
Kettingmotoren KS2, KSA
Vergrendelmotoren
Vleugelbevestiging LKS, SP, PL, PLx
Motorbevestiging LKS, PL, PLx
Motorbevestiging SP
Vleugelbevestiging KS2, KSA
Motorbevestiging KS2, KSA
Hautau elektromotoren
Schaararmmotor
Sanoco elektromotoren
Kettingmotoren
Service, Montage en Onderhoud
Notter onderdelen
Meenemertong
Hoekoverbrenging
Espagnoletkasten
Schuifdeursluiting
Diverse onderdelen
Limburgia beslag
Schuifdeurgreep
Deurkrukken
Duwplaat
Anca deurscharnieren
Montagehulpmiddelen
Montagebus
Montageveer
Afdichten en verlijmen
Onderhoud en reiniging
Waterafvoerkapjes
Aan de slag
Over ons
Vacatures
FAQ
Contact
Toon opties
Merk
Notter
Materiaal / Kleur
Diverse
Productserie
Notter AL2000 zichtbare scharnieren
Notter AL15 verborgen scharnieren
Bediening
Vorkbediening
Espagnoletbediening
Functie
Draaikiep DK
Kiep voor draai KvD
Binnendraaiend DRBi
Buitendraaiend DRBu
Stolp ST
Valraam VR
Profielvorm
Euronut kozijngroef 10
Euronut kozijngroef 12-14
Raambeslag type
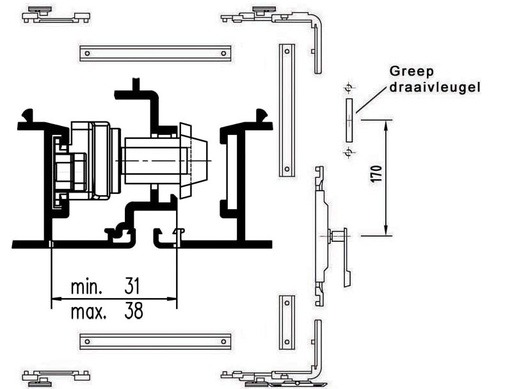
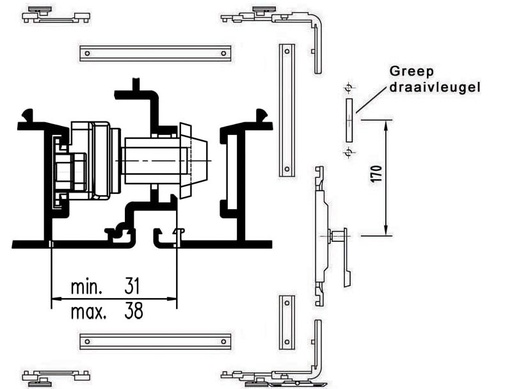
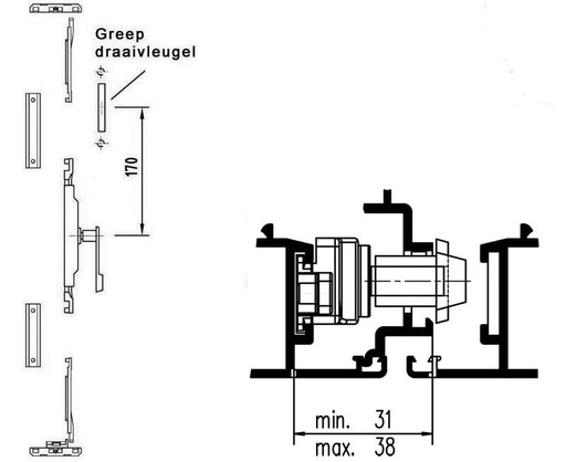
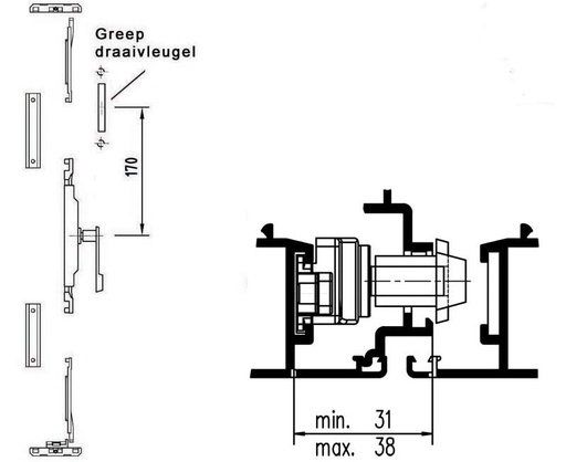
Set vleugel- en kozijndelen
Doornmaat
6,3 mm
Producten
Raambeslag
Notter raambeslag
Set vleugel- en kozijndelen
Sorteren op:
Aanbevolen
Prijs laag naar hoog
Prijs - hoog naar laag
Nieuwste binnengekomen
Naam
Bestelnr.
Kleur
Omschrijving
VE
VRD
Prijs excl. BTW
Bestel
10-014.154.00
Diverse
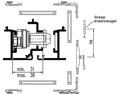
Set vleugel- en kozijndelen STH-B AL 2000 , kompl. metverdekt liggende esp. bed. hoh 162mm, zonder scharn.,Groep 12, 12A en 12B, met bed.hendel 16 mm hoog
Binnenkort voorradig
Levertijd in werkweken (±): 3
1
Aantal
Prijs ex btw
1 - 9
€
47,66
Vanaf 10
€
41,44
10-025.154.00
Diverse
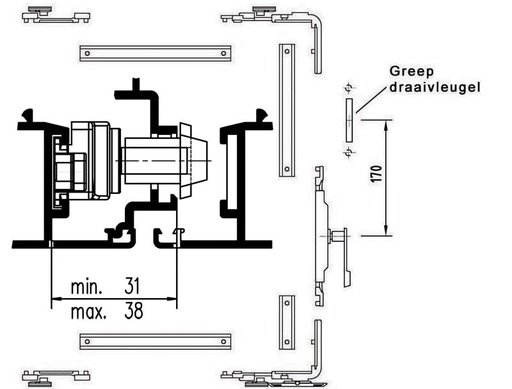
Set vleugel- en kozijndelen STH-B AL 2000 , kompl. metverdekt liggende esp. bed. hoh 162mm, zonder scharn.,Groep 11, 11A, 13 en 14, met bed.hendel 16 mm hoog
Binnenkort voorradig
Levertijd in werkweken (±): 3
1
Aantal
Prijs ex btw
1 - 9
€
47,66
Vanaf 10
€
41,44
10-014.1331.00
Diverse
Set vleugel- en kozijndelen STV-B AL 2000 , kompl. metverdekt liggende esp. bed. hoh 162mm, zonder scharn.,Groep 12, 12A en 12B, met bed.hendel 16 mm hoog
Binnenkort voorradig
Levertijd in werkweken (±): 3
1
Aantal
Prijs ex btw
1 - 9
€
31,37
Vanaf 10
€
27,28
10-025.1331.00
Diverse
Set vleugel- en kozijndelen STV-B AL 2000 , kompl. metverdekt liggende esp. bed. hoh 162mm , zonder scharn.,Groep 11, 11A, 13 en 14, met bed.hendel 16 mm hoog
Voorraad ≥ 5
1
Aantal
Prijs ex btw
1 - 9
€
31,37
Vanaf 10
€
27,28
10-214.465.00
Diverse
Set vleugel- en kozijndelen DKV AL 2000 v.inboorespagnolet, incl. inboorespagnoletkast Doorn =6,3 mm KG=10mm.
Binnenkort voorradig
Levertijd in werkweken (±): 3
1
Aantal
Prijs ex btw
1 - 9
€
39,45
Vanaf 10
€
34,30
10-225.465.00
Diverse
Set vleugel- en kozijndelen DKV AL 2000 v.inboorespagnolet, incl. inboorespagnoletkast Doorn =6,3 mm Groep 11, 11a, 13, 14
Binnenkort voorradig
Levertijd in werkweken (±): 3
1
Aantal
Prijs ex btw
1 - 9
€
39,45
Vanaf 10
€
34,30
10-014.242.00
Diverse
Set vleugel- en kozijndelen VGH AL 2000 KG=10mm.,zonder scharen
Binnenkort voorradig
Levertijd in werkweken (±): 3
1
Aantal
Prijs ex btw
1 - 9
€
9,38
Vanaf 10
€
8,16
10-025.242.00
Diverse
Set vleugel- en kozijndelen VGH AL 2000 Groep 11, 11a,13, 14, zonder scharen
Binnenkort voorradig
Levertijd in werkweken (±): 3
1
Aantal
Prijs ex btw
1 - 9
€
9,38
Vanaf 10
€
8,16
10-025.467.00
Diverse
Set vleugel- en kozijndelen DR AL 2000 v.inboorespagnolet, incl. inboorespagnoletkast Doorn =6,3mm Groep 11, 11a, 13, 14
Voorraad ≥ 5
1
Aantal
Prijs ex btw
1 - 9
€
22,22
Vanaf 10
€
19,32
10-214.464.00
Diverse
Set vleugel- en kozijndelen DK AL 2000 v.inboorespagnolet, incl. inboorespagnoletkast Doorn =6,3 mm KG=10mm.
Beperkte voorraad < 5
1
Aantal
Prijs ex btw
1 - 9
€
39,45
Vanaf 10
€
34,30
10-225.464.00
Diverse
Set vleugel- en kozijndelen DK AL 2000 v.inboorespagnolet, incl. inboorespagnoletkast Doorn =6,3 mm Groep 11, 11a, 13, 14
Voorraad ≥ 5
1
Aantal
Prijs ex btw
1 - 9
€
39,45
Vanaf 10
€
34,30
10-225.427.00
Diverse
Set vleugel- en kozijndelen KvD AL 2000, KG = 14mm
Voorraad ≥ 5
1
Aantal
Prijs ex btw
1 - 9
€
33,67
Vanaf 10
€
29,28
10-214.380.00
Diverse
Set vleugel- en kozijndelen KvD AL 2000 KG=10mm. (voorheen 10-214.427.00)
Binnenkort voorradig
Levertijd in werkweken (±): 3
1
Aantal
Prijs ex btw
1 - 9
€
33,67
Vanaf 10
€
29,28
10-025.433.00
Diverse
Set vleugel- en kozijndelen DR AL 2000 Groep 11, 11a,13, 14
Voorraad ≥ 5
1
Aantal
Prijs ex btw
1 - 9
€
9,87
Vanaf 10
€
8,58
10-214.422.00
Diverse
Set vleugel- en kozijndelen DK AL 2000 KG=10mm.
Voorraad ≥ 5
1
Aantal
Prijs ex btw
1 - 9
€
26,90
Vanaf 10
€
23,39
10-225.422.00
Diverse
Set vleugel- en kozijndelen DK AL 2000 Groep 11, 11a,13, 14
Binnenkort voorradig
Levertijd in werkweken (±): 3
1
Aantal
Prijs ex btw
1 - 9
€
26,90
Vanaf 10
€
23,39
10-315.464.00
Diverse
Set vl.- en kzn. delen DKE AL15 VDL v. inb. esp., incl.inb. esp.kast doorn = 6,3 mm KG=10mm.
Voorraad ≥ 5
1
Aantal
Prijs ex btw
1 - 9
€
41,55
Vanaf 10
€
36,13
10-325.464.00
Diverse
Set vl.- en kzn. delen DKE AL15 VDL v. inb. esp., incl.inb. esp.kast doorn = 6,3 mm KG=12, 14mm.
Binnenkort voorradig
Levertijd in werkweken (±): 3
1
Aantal
Prijs ex btw
1 - 9
€
41,55
Vanaf 10
€
36,13
10-325.422.00
Diverse
Set vl.- en kzn. delen DK AL15 VDL, KG=12, 14mm.
Voorraad ≥ 5
1
Aantal
Prijs ex btw
1 - 9
€
27,70
Vanaf 10
€
24,09
10-025.089.00
Diverse
Set vleugel- en kozijndelen STV-G AL 2000 vertikaal ,greepbediend d.m.v. dubbelwerkende greep, zonder greep,zonder scharn., Groep 11, 11A, 13 en 14
Binnenkort voorradig
Levertijd in werkweken (±): 3
1
Aantal
Prijs ex btw
1 - 9
€
7,53
Vanaf 10
€
6,55
40361 | [40361] 10-014.154.00
Set vleugel- en kozijndelen STH-B AL 2000 , kompl. metverdekt liggende esp. bed. hoh 162mm, zonder scharn.,Groep 12, 12A en 12B, met bed.hendel 16 mm hoog
Op bestelling
Levertijd in overleg
Aantal
Prijs ex btw
1 - 9
€
47,66
Vanaf 10
€
41,44
40360 | [40360] 10-025.154.00
Set vleugel- en kozijndelen STH-B AL 2000 , kompl. metverdekt liggende esp. bed. hoh 162mm, zonder scharn.,Groep 11, 11A, 13 en 14, met bed.hendel 16 mm hoog
Op bestelling
Levertijd in overleg
Aantal
Prijs ex btw
1 - 9
€
47,66
Vanaf 10
€
41,44
40359 | [40359] 10-014.1331.00
Set vleugel- en kozijndelen STV-B AL 2000 , kompl. metverdekt liggende esp. bed. hoh 162mm, zonder scharn.,Groep 12, 12A en 12B, met bed.hendel 16 mm hoog
Op bestelling
Levertijd in overleg
Aantal
Prijs ex btw
1 - 9
€
31,37
Vanaf 10
€
27,28
40358 | [40358] 10-025.1331.00
Set vleugel- en kozijndelen STV-B AL 2000 , kompl. metverdekt liggende esp. bed. hoh 162mm , zonder scharn.,Groep 11, 11A, 13 en 14, met bed.hendel 16 mm hoog
Voorraad ≥ 5
Aantal
Prijs ex btw
1 - 9
€
31,37
Vanaf 10
€
27,28
40294 | [40294] 10-214.465.00
Set vleugel- en kozijndelen DKV AL 2000 v.inboorespagnolet, incl. inboorespagnoletkast Doorn =6,3 mm KG=10mm.
Op bestelling
Levertijd in overleg
Aantal
Prijs ex btw
1 - 9
€
39,45
Vanaf 10
€
34,30
40293 | [40293] 10-225.465.00
Set vleugel- en kozijndelen DKV AL 2000 v.inboorespagnolet, incl. inboorespagnoletkast Doorn =6,3 mm Groep 11, 11a, 13, 14
Op bestelling
Levertijd in overleg
Aantal
Prijs ex btw
1 - 9
€
39,45
Vanaf 10
€
34,30
15516 | [15516] 10-014.242.00
Set vleugel- en kozijndelen VGH AL 2000 KG=10mm.,zonder scharen
Op bestelling
Levertijd in overleg
Aantal
Prijs ex btw
1 - 9
€
9,38
Vanaf 10
€
8,16
15515 | [15515] 10-025.242.00
Set vleugel- en kozijndelen VGH AL 2000 Groep 11, 11a,13, 14, zonder scharen
Op bestelling
Levertijd in overleg
Aantal
Prijs ex btw
1 - 9
€
9,38
Vanaf 10
€
8,16
15478 | [15478] 10-025.467.00
Set vleugel- en kozijndelen DR AL 2000 v.inboorespagnolet, incl. inboorespagnoletkast Doorn =6,3mm Groep 11, 11a, 13, 14
Voorraad ≥ 5
Aantal
Prijs ex btw
1 - 9
€
22,22
Vanaf 10
€
19,32
15476 | [15476] 10-214.464.00
Set vleugel- en kozijndelen DK AL 2000 v.inboorespagnolet, incl. inboorespagnoletkast Doorn =6,3 mm KG=10mm.
Beperkte voorraad < 5
Aantal
Prijs ex btw
1 - 9
€
39,45
Vanaf 10
€
34,30
15475 | [15475] 10-225.464.00
Set vleugel- en kozijndelen DK AL 2000 v.inboorespagnolet, incl. inboorespagnoletkast Doorn =6,3 mm Groep 11, 11a, 13, 14
Voorraad ≥ 5
Aantal
Prijs ex btw
1 - 9
€
39,45
Vanaf 10
€
34,30
15471 | [15471] 10-225.427.00
Set vleugel- en kozijndelen KvD AL 2000, KG = 14mm
Voorraad ≥ 5
Aantal
Prijs ex btw
1 - 9
€
33,67
Vanaf 10
€
29,28
15470 | [15470] 10-214.380.00
Set vleugel- en kozijndelen KvD AL 2000 KG=10mm. (voorheen 10-214.427.00)
Op bestelling
Levertijd in overleg
Aantal
Prijs ex btw
1 - 9
€
33,67
Vanaf 10
€
29,28
15423 | [15423] 10-025.433.00
Set vleugel- en kozijndelen DR AL 2000 Groep 11, 11a,13, 14
Voorraad ≥ 5
Aantal
Prijs ex btw
1 - 9
€
9,87
Vanaf 10
€
8,58
15411 | [15411] 10-214.422.00
Set vleugel- en kozijndelen DK AL 2000 KG=10mm.
Voorraad ≥ 5
Aantal
Prijs ex btw
1 - 9
€
26,90
Vanaf 10
€
23,39
15266 | [15266] 10-225.422.00
Set vleugel- en kozijndelen DK AL 2000 Groep 11, 11a,13, 14
Op bestelling
Levertijd in overleg
Aantal
Prijs ex btw
1 - 9
€
26,90
Vanaf 10
€
23,39
14461 | [14461] 10-315.464.00
Set vl.- en kzn. delen DKE AL15 VDL v. inb. esp., incl.inb. esp.kast doorn = 6,3 mm KG=10mm.
Voorraad ≥ 5
Aantal
Prijs ex btw
1 - 9
€
41,55
Vanaf 10
€
36,13
14406 | [14406] 10-325.464.00
Set vl.- en kzn. delen DKE AL15 VDL v. inb. esp., incl.inb. esp.kast doorn = 6,3 mm KG=12, 14mm.
Op bestelling
Levertijd in overleg
Aantal
Prijs ex btw
1 - 9
€
41,55
Vanaf 10
€
36,13
14405 | [14405] 10-325.422.00
Set vl.- en kzn. delen DK AL15 VDL, KG=12, 14mm.
Voorraad ≥ 5
Aantal
Prijs ex btw
1 - 9
€
27,70
Vanaf 10
€
24,09
05410 | [05410] 10-025.089.00
Set vleugel- en kozijndelen STV-G AL 2000 vertikaal ,greepbediend d.m.v. dubbelwerkende greep, zonder greep,zonder scharn., Groep 11, 11A, 13 en 14
Op bestelling
Levertijd in overleg
Aantal
Prijs ex btw
1 - 9
€
7,53
Vanaf 10
€
6,55
1
2