+31 (0)478 519 770
0
Assortiment
Akotherm Profielen
AT575 Ramen Staal Design
AT575 Raam Profielen
AT575 Glaslat Profielen
AT575 Extra Profielen
AT575 PVC Profielen
AT740 Ramen
AT740 Raam Profielen
AT740 Glaslat Profielen
AT740 Extra Profielen
AT740 PVC Profielen
AT740 Deuren
AT740 Deur Profielen
AT740 Glaslat Profielen
AT740 Extra Profielen
AT740 PVC Profielen
Insectenhorren
Profielen
Akotherm Dichtingen
Aanslagdichting
Middendichting
Diverse
Glasdichting
Akotherm Toebehoren
(EPDM) Vormdelen
Isolatoren
Bevestigingsmiddelen
Hoek- en T-verbinders
Valdorpels
Lijmen en Reiniger
Akotherm beschermfolie
Diverse
Gereedschappen
Raambeslag
Akotherm raambeslag
Notter raambeslag
Complete beslagset
Set vleugel- en kozijndelen
Scharnieren
Scharen
Raamgrepen
Hoogte- breedtesluiting
Accessoires
Hautau Primat FL / A
Scharen en raambok
Bediening
Stang en afdekkap
Overbrengingen
Accessoires
Inbouw raambeslag
Scharnieren
Uitzetzakscharen UZZ/DF
Parallelscharen PX
Begrenzingsscharen
Opbouw raambeslag
Raamknip
Raamboom
Raamgreep
Dakraam openers
Deurbeslag
Profielcilinders
Standaard Profielcilinder
Halve Profielcilinder
Standaard Knopcilinder
Halve Knopcilinder
Sloten en Sluitplaten
Meerpuntsloten
Dag- en nachtsloten
Dagsloten
Nachtsloten
Sluitplaten
Deurgrendels
Espagnolet grendel
Kantschuif grendel
Stangen en Accessoires
Deurkrukken
Serie Krux-Pro
Serie Sanoco
Accessoires
Cilinderrozet
Deurduwers
Sanoco T RVS
Deurscharnieren
Savio Mechanica MKW
Dievenklauw
Brievenbus
Deurvastzetters, -stoppers
Deurvastzetters
Windhaken
Slagbegrenzer
Deurborstel
Deursluiters
Deurdrangers
Schuifdeurbeslag
Schuifdeurwielen
Knijpsluiting
Bijzetslot
Elektrobeslag
Aumüller elektromotoren
Tandheugelmotoren LKS
Spindelmotoren SP
Spindelmotoren PL, PLA, PLS
Kettingmotoren KS2, KSA
Vergrendelmotoren
Vleugelbevestiging LKS, SP, PL, PLx
Motorbevestiging LKS, PL, PLx
Motorbevestiging SP
Vleugelbevestiging KS2, KSA
Motorbevestiging KS2, KSA
Hautau elektromotoren
Schaararmmotor
Sanoco elektromotoren
Kettingmotoren
Service, Montage en Onderhoud
Notter onderdelen
Meenemertong
Hoekoverbrenging
Espagnoletkasten
Schuifdeursluiting
Diverse onderdelen
Limburgia beslag
Schuifdeurgreep
Deurkrukken
Duwplaat
Anca deurscharnieren
Montagehulpmiddelen
Montagebus
Montageveer
Afdichten en verlijmen
Onderhoud en reiniging
Waterafvoerkapjes
Aan de slag
Over ons
Vacatures
FAQ
Contact
Toon opties
Merk
Aumüller
Materiaal / Kleur
Diverse
RVS naturel
Alu EV1
Grijs
Staal verzinkt
Grijs, RAL 9006
Wit, RAL 9010
Opties
24 V
230 V
Raambeslag koppeling
Verbindingsstang
Montageset motor
Montageset ketting/spindel
Bediening
Via externe besturing
Technisch kenmerk
Max. 200 N
Max. 250 N
Max. 300 N
Max. 400 N
Max. 550 N
Max. 600 N
Max. 800 N
Max. 1100 N
Max. 1200 N
Technisch kenmerk 2
Slag 200 mm
Slag 250 mm
Slag 300 mm
Slag 400 mm
Slag 500 mm
Slag 600 mm
Slag 750 mm
Slag 800 mm
Slag 1000 mm
Elektrobeslag type
Kettingmotor
Spindelmotor
Tandheugelmotor
Vergrendelmotor
Producten
Elektrobeslag
Aumüller elektromotoren
Sorteren op:
Aanbevolen
Prijs laag naar hoog
Prijs - hoog naar laag
Nieuwste binnengekomen
Naam
Bestelnr.
Kleur
Omschrijving
VE
VRD
Prijs excl. BTW
Bestel
132-150500
Alu EV1
Alu-Vleugelbok mit Federent- riegelung F 4
Binnenkort voorradig
Levertijd in werkweken (±): 3
1
Aantal
Prijs ex btw
1 - 9
€
27,78
Vanaf 10
€
24,16
132-150303
Alu EV1
Lagerbock Eternit (F2) Schenkelh”he 62mm - Ausfhrungab 1998
Binnenkort voorradig
Levertijd in werkweken (±): 3
1
Aantal
Prijs ex btw
1 - 9
€
47,54
Vanaf 10
€
41,34
132-150110
Alu EV1
Vleugelbok F1.1 met snapsluiting
Binnenkort voorradig
Levertijd in werkweken (±): 3
1
Aantal
Prijs ex btw
1 - 9
€
74,36
Vanaf 10
€
64,66
132-100044
Staal verzinkt
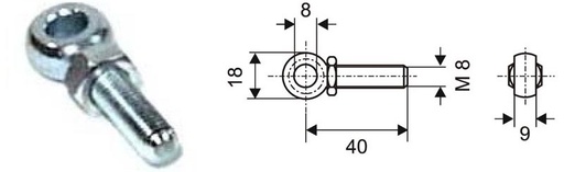
Bevestigingsschroef met oog LB M8x40 verzinkt met moerM8
Binnenkort voorradig
Levertijd in werkweken (±): 3
1
Aantal
Prijs ex btw
1 - 9
€
10,56
Vanaf 10
€
9,18
132-151421
Alu EV1
Vleugelbok F21 met veer voor KSL/KS2 motor, alu.geanod.
Binnenkort voorradig
Levertijd in werkweken (±): 3
1
Aantal
Prijs ex btw
1 - 9
€
25,33
Vanaf 10
€
22,03
132-524255
Alu EV1
KSA 500 TWIN MP kettingmotor 24 V 1,6/2,4 A, slag500mm, 800N
Binnenkort voorradig
Levertijd in werkweken (±): 3
1
Aantal
Prijs ex btw
1 - 9
€
1.399,63
Vanaf 10
€
1.217,07
132-524245
Alu EV1
KSA 400 TWIN MP kettingmotor 24 V 2,4 A, slag 400mm,1200 N
Binnenkort voorradig
Levertijd in werkweken (±): 3
1
Aantal
Prijs ex btw
1 - 9
€
1.346,88
Vanaf 10
€
1.171,20
132-524221
Staal verzinkt
Console Z voor KSA motor
Binnenkort voorradig
Levertijd in werkweken (±): 3
1
Aantal
Prijs ex btw
1 - 9
€
42,39
Vanaf 10
€
36,86
132-524213
Staal verzinkt
Consolenset Typ B voor KSA motor
Binnenkort voorradig
Levertijd in werkweken (±): 3
1
Aantal
Prijs ex btw
1 - 9
€
26,43
Vanaf 10
€
22,98
132-524204
Alu EV1
Vleugelbok F16 voor Profilinnenkante z.B. verdecktliegender Flgel
Binnenkort voorradig
Levertijd in werkweken (±): 3
1
Aantal
Prijs ex btw
1 - 9
€
34,51
Vanaf 10
€
30,01
132-524203
Alu EV1
Vleugelbok F33 60x15x25 alu. geanod. met RVS schroef
Binnenkort voorradig
Levertijd in werkweken (±): 3
1
Aantal
Prijs ex btw
1 - 9
€
31,66
Vanaf 10
€
27,53
132-517590
Staal verzinkt
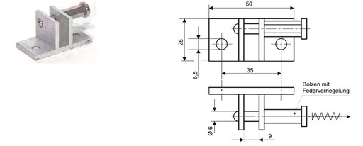
Bevestigingsset voor draairamen en valramen
Binnenkort voorradig
Levertijd in werkweken (±): 3
1
Aantal
Prijs ex btw
1 - 9
€
62,13
Vanaf 10
€
54,03
132-515900
Alu EV1
Klemring voorPL/PLS/PLA motor
Binnenkort voorradig
Levertijd in werkweken (±): 3
1
Aantal
Prijs ex btw
1 - 9
€
47,54
Vanaf 10
€
41,34
132-515825
Alu EV1
Klemmring voorziening 7mm, voor PL - PLA motor met 36mmdiameter
Binnenkort voorradig
Levertijd in werkweken (±): 3
1
Aantal
Prijs ex btw
1 - 9
€
42,56
Vanaf 10
€
37,01
132-514150
Alu EV1
SP8-500 spindelmotor 24VDC/1,1A max. 800N, Alu geanod.E6 EV 1
Binnenkort voorradig
Levertijd in werkweken (±): 3
1
Aantal
Prijs ex btw
1 - 9
€
439,74
Vanaf 10
€
382,38
132-514130
Alu EV1
SP8-300 spindelmotor 24VDC/1,1A 800N - alu. geanod.E6/EV1
Binnenkort voorradig
Levertijd in werkweken (±): 3
1
Aantal
Prijs ex btw
1 - 9
€
423,41
Vanaf 10
€
368,18
132-513905
Alu EV1
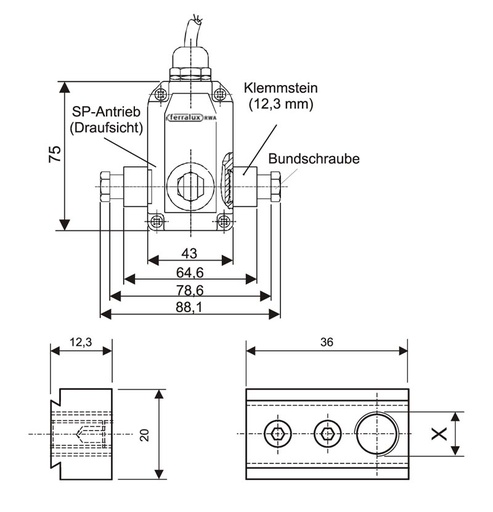
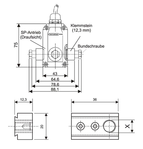
2xKlemmstein dick, SP-motor Aluminium mit Bohrung 8,1mm,
Binnenkort voorradig
Levertijd in werkweken (±): 3
1
Aantal
Prijs ex btw
1 - 9
€
22,18
Vanaf 10
€
19,29
132-513904
Alu EV1
2xKlemmstein dnn, SP-motor Aluminium mit Bohrung 6,1mm, b = 20 mm
Binnenkort voorradig
Levertijd in werkweken (±): 3
1
Aantal
Prijs ex btw
1 - 9
€
24,71
Vanaf 10
€
21,49
132-513903
Alu EV1
2xKlemmstein dnn, SP-motor Aluminium mit Bohrung8,1mm, b = 20 mm
Binnenkort voorradig
Levertijd in werkweken (±): 3
1
Aantal
Prijs ex btw
1 - 9
€
30,33
Vanaf 10
€
26,37
132-513902
Alu EV1
2xKlemmstein dnn, SP-motor Aluminium mit 2x 12mmBundschrauben, b = 20 mm
Binnenkort voorradig
Levertijd in werkweken (±): 3
1
Aantal
Prijs ex btw
1 - 9
€
30,88
Vanaf 10
€
26,85
18738 | [18738] 132-150500
Alu-Vleugelbok mit Federent- riegelung F 4
Op bestelling
Levertijd in overleg
Aantal
Prijs ex btw
1 - 9
€
27,78
Vanaf 10
€
24,16
18737 | [18737] 132-150303
Lagerbock Eternit (F2) Schenkelh”he 62mm - Ausfhrungab 1998
Op bestelling
Levertijd in overleg
Aantal
Prijs ex btw
1 - 9
€
47,54
Vanaf 10
€
41,34
18736 | [18736] 132-150110
Vleugelbok F1.1 met snapsluiting
Op bestelling
Levertijd in overleg
Aantal
Prijs ex btw
1 - 9
€
74,36
Vanaf 10
€
64,66
18732 | [18732] 132-100044
Bevestigingsschroef met oog LB M8x40 verzinkt met moerM8
Op bestelling
Levertijd in overleg
Aantal
Prijs ex btw
1 - 9
€
10,56
Vanaf 10
€
9,18
18720 | [18720] 132-151421
Vleugelbok F21 met veer voor KSL/KS2 motor, alu.geanod.
Op bestelling
Levertijd in overleg
Aantal
Prijs ex btw
1 - 9
€
25,33
Vanaf 10
€
22,03
18648 | [18648] 132-524255
KSA 500 TWIN MP kettingmotor 24 V 1,6/2,4 A, slag500mm, 800N
Op bestelling
Levertijd in overleg
Aantal
Prijs ex btw
1 - 9
€
1.399,63
Vanaf 10
€
1.217,07
18645 | [18645] 132-524245
KSA 400 TWIN MP kettingmotor 24 V 2,4 A, slag 400mm,1200 N
Op bestelling
Levertijd in overleg
Aantal
Prijs ex btw
1 - 9
€
1.346,88
Vanaf 10
€
1.171,20
18640 | [18640] 132-524221
Console Z voor KSA motor
Op bestelling
Levertijd in overleg
Aantal
Prijs ex btw
1 - 9
€
42,39
Vanaf 10
€
36,86
18638 | [18638] 132-524213
Consolenset Typ B voor KSA motor
Op bestelling
Levertijd in overleg
Aantal
Prijs ex btw
1 - 9
€
26,43
Vanaf 10
€
22,98
18634 | [18634] 132-524204
Vleugelbok F16 voor Profilinnenkante z.B. verdecktliegender Flgel
Op bestelling
Levertijd in overleg
Aantal
Prijs ex btw
1 - 9
€
34,51
Vanaf 10
€
30,01
18633 | [18633] 132-524203
Vleugelbok F33 60x15x25 alu. geanod. met RVS schroef
Op bestelling
Levertijd in overleg
Aantal
Prijs ex btw
1 - 9
€
31,66
Vanaf 10
€
27,53
18628 | [18628] 132-517590
Bevestigingsset voor draairamen en valramen
Op bestelling
Levertijd in overleg
Aantal
Prijs ex btw
1 - 9
€
62,13
Vanaf 10
€
54,03
18618 | [18618] 132-515900
Klemring voorPL/PLS/PLA motor
Op bestelling
Levertijd in overleg
Aantal
Prijs ex btw
1 - 9
€
47,54
Vanaf 10
€
41,34
18617 | [18617] 132-515825
Klemmring voorziening 7mm, voor PL - PLA motor met 36mmdiameter
Op bestelling
Levertijd in overleg
Aantal
Prijs ex btw
1 - 9
€
42,56
Vanaf 10
€
37,01
18614 | [18614] 132-514150
SP8-500 spindelmotor 24VDC/1,1A max. 800N, Alu geanod.E6 EV 1
Op bestelling
Levertijd in overleg
Aantal
Prijs ex btw
1 - 9
€
439,74
Vanaf 10
€
382,38
18612 | [18612] 132-514130
SP8-300 spindelmotor 24VDC/1,1A 800N - alu. geanod.E6/EV1
Op bestelling
Levertijd in overleg
Aantal
Prijs ex btw
1 - 9
€
423,41
Vanaf 10
€
368,18
18596 | [18596] 132-513905
2xKlemmstein dick, SP-motor Aluminium mit Bohrung 8,1mm,
Op bestelling
Levertijd in overleg
Aantal
Prijs ex btw
1 - 9
€
22,18
Vanaf 10
€
19,29
18595 | [18595] 132-513904
2xKlemmstein dnn, SP-motor Aluminium mit Bohrung 6,1mm, b = 20 mm
Op bestelling
Levertijd in overleg
Aantal
Prijs ex btw
1 - 9
€
24,71
Vanaf 10
€
21,49
18594 | [18594] 132-513903
2xKlemmstein dnn, SP-motor Aluminium mit Bohrung8,1mm, b = 20 mm
Op bestelling
Levertijd in overleg
Aantal
Prijs ex btw
1 - 9
€
30,33
Vanaf 10
€
26,37
18593 | [18593] 132-513902
2xKlemmstein dnn, SP-motor Aluminium mit 2x 12mmBundschrauben, b = 20 mm
Op bestelling
Levertijd in overleg
Aantal
Prijs ex btw
1 - 9
€
30,88
Vanaf 10
€
26,85
Vorige
1
2
3
4
5
Volgende