+31 (0)478 519 770
0
Assortiment
Akotherm Profielen
AT575 Ramen Staal Design
AT575 Raam Profielen
AT575 Glaslat Profielen
AT575 Extra Profielen
AT575 PVC Profielen
AT740 Ramen
AT740 Raam Profielen
AT740 Glaslat Profielen
AT740 Extra Profielen
AT740 PVC Profielen
AT740 Deuren
AT740 Deur Profielen
AT740 Glaslat Profielen
AT740 Extra Profielen
AT740 PVC Profielen
Insectenhorren
Profielen
Akotherm Dichtingen
Aanslagdichting
Middendichting
Diverse
Glasdichting
Akotherm Toebehoren
(EPDM) Vormdelen
Isolatoren
Bevestigingsmiddelen
Hoek- en T-verbinders
Valdorpels
Lijmen en Reiniger
Akotherm beschermfolie
Diverse
Gereedschappen
Raambeslag
Akotherm raambeslag
Notter raambeslag
Complete beslagset
Set vleugel- en kozijndelen
Scharnieren
Scharen
Raamgrepen
Hoogte- breedtesluiting
Accessoires
Hautau Primat FL / A
Scharen en raambok
Bediening
Stang en afdekkap
Overbrengingen
Accessoires
Inbouw raambeslag
Scharnieren
Uitzetzakscharen UZZ/DF
Parallelscharen PX
Begrenzingsscharen
Opbouw raambeslag
Raamknip
Raamboom
Raamgreep
Dakraam openers
Deurbeslag
Profielcilinders
Standaard Profielcilinder
Halve Profielcilinder
Standaard Knopcilinder
Halve Knopcilinder
Sloten en Sluitplaten
Meerpuntsloten
Dag- en nachtsloten
Dagsloten
Nachtsloten
Sluitplaten
Deurgrendels
Espagnolet grendel
Kantschuif grendel
Stangen en Accessoires
Deurkrukken
Serie Krux-Pro
Serie Sanoco
Accessoires
Cilinderrozet
Deurduwers
Sanoco T RVS
Deurscharnieren
Savio Mechanica MKW
Dievenklauw
Brievenbus
Deurvastzetters, -stoppers
Deurvastzetters
Windhaken
Slagbegrenzer
Deurborstel
Deursluiters
Deurdrangers
Schuifdeurbeslag
Schuifdeurwielen
Knijpsluiting
Bijzetslot
Elektrobeslag
Aumüller elektromotoren
Tandheugelmotoren LKS
Spindelmotoren SP
Spindelmotoren PL, PLA, PLS
Kettingmotoren KS2, KSA
Vergrendelmotoren
Vleugelbevestiging LKS, SP, PL, PLx
Motorbevestiging LKS, PL, PLx
Motorbevestiging SP
Vleugelbevestiging KS2, KSA
Motorbevestiging KS2, KSA
Hautau elektromotoren
Schaararmmotor
Sanoco elektromotoren
Kettingmotoren
Service, Montage en Onderhoud
Notter onderdelen
Meenemertong
Hoekoverbrenging
Espagnoletkasten
Schuifdeursluiting
Diverse onderdelen
Limburgia beslag
Schuifdeurgreep
Deurkrukken
Duwplaat
Anca deurscharnieren
Montagehulpmiddelen
Montagebus
Montageveer
Afdichten en verlijmen
Onderhoud en reiniging
Waterafvoerkapjes
Aan de slag
Over ons
Vacatures
FAQ
Contact
Toon opties
Merk
Akotherm
Notter
Savio
Aumüller
Securistyle
Hautau
Krux-Pro
Limburgia
Wilka
Schüring
Sanoco
Otto-Chemie
Bloem
KWS
Fenosol
Mertech
Mauer
ECO Schulte
Argenta
FSB
KFV
Deni
Anca
Axa
Materiaal / Kleur
Diverse
Zink verzinkt
Staal gecoat
Kunststof transparant
Zink verzinkt, RVS, Kunststof
Alu onbehandeld
EPDM Zwart
Isolatieschuim
RVS naturel
Borstel
Alu EV1
Alu RVS Look
Zwart fijnstructur
Zwart mat
RVS geborsteld
Vernikkeld mat
Zwart
Wit
Grijs
Zilvergrijs
Staal onbehandeld
Staal verzinkt
Transparant
Grijs, RAL 7004
Cremewit, RAL 9001
Grijs, RAL 9006
Wit, RAL 9010
Zwart, RAL 9011
Verkeerswit, RAL 9016
Kunststof zwart
Satijn chroom
Antiek zwart
Schuimband Zwart
Messing
Chroom
Zilver
Kunststof grijs
Kunststof wit
Magneetband
Chemische samenstelling
Paardenhaar
Kunststof geel
PUR Zwart
Technisch kenmerk
PC-92 met kerntrek
PC-92
Blind zonder cilindersparing
Max. deurgewicht 40 kg
Max. deurgewicht 60 kg
Max. deurgewicht 80 kg
Max. deurgewicht 90 kg
Max. deurgewicht 100 kg
Max. deurgewicht 120 kg
Max. deurgewicht 150 kg
Max. deurgewicht 160 kg
Max. deurgewicht 180 kg
Max. deurgewicht 200 kg
Max. deurgewicht 500 kg
Max. raamgewicht 80 kg
Max. 200 N
Max. 250 N
Max. 300 N
Max. 400 N
Max. 550 N
Max. 600 N
Max. 800 N
Max. 1100 N
Max. 1200 N
Deurbeslag type
Deurkruk
Deurknop
Deurgreep
Deurduwer
Schuifdeurgreep
Bevestigingsset
Profielcilinder
Knopcilinder
Langschild
Vierkant stift
Sluitplaat / sluitkom
Hevelbediening
Schuifbediening
Bovenspeun
Vloerplaat
Taatsdeurscharnier
Meerpuntslot
Dag- en nachtschoot
PC cilinderrozet
Blind cilinderrozet
Rol- en nachtschoot
Dagschoot
Rolschoot
Haakschoot
Nachtschoot
Bad / WC
Vloerbus / geleidebus
Accessoires deurbeslag
Deurscharnier
Gereedschappen
Brievenbus
Deurborstel
Deurdranger
Slagbegrenzer
Deurvastzetter
Kortschild
Productserie
AT575 Ramen
AT740 Ramen
AT740 Deuren
Insectenhorren
Renoseal
Notter AL2000 zichtbare scharnieren
Notter AL15 verborgen scharnieren
Securistyle Sterling
Securistyle Defender
Akotherm toebehoren type
(EPDM) Vormdelen
Isolatoren
Bevestigingsmiddelen
Hoek- en T-verbinders
Valdorpels
Lijmen en reiniger
Akotherm beschermfolie
Akotherm diverse
Akotherm gereedschappen
Akotherm profiel type
Raam- en deur profielen
Glaslat profielen
Extra profielen
PVC profielen
Profielvorm
Euronut kozijngroef 10
Euronut kozijngroef 12-14
Glaslat
Diverse profielvorm
L-Profiel
T-Profiel
Z-Profiel
h-Profiel
I-Profiel
Wissel profiel
Dorpel
Hoek profiel
PX beslaggroef
Glasopname
24 mm
15 mm
Bediening
Vorkbediening
Espagnoletbediening
Knevelbediening
Bediening niet van toepassing
Via externe besturing
Geïntegreerde afstandsbediening
Functie
Universeel toepasbaar
Draaikiep DK
Kiep voor draai KvD
Binnendraaiend DRBi
Buitendraaiend DRBu
Stolp ST
Valraam VR
Uitzetraam UR
Dakraam
Uitzetzak UZZ
Draaifrictie DRF
Parallel PX
Raambeslag type
Set vleugel- en kozijndelen
Scharnieren
Scharen
Bediening
Sluitstuk
Hoogte- breedtesluiting
Stang en afdekkap
Overbrenging
Mechanische aandrijving
Console
Accessoires raambeslag
Los onderdeel
Opties
Volledige VE
Kleine VE
Binnenschild
Buitenschild
Zelfklevend
Rond 30 mm
Koker 310 ml
Worst 600 ml
Blik 1 liter
2 delig
3 delig
Buitenklep EV-1
Buitenklep RVS
Speciale kleur
24 V
230 V
Raambeslag koppeling
Verbindingsstang
Montageset motor
Montageset ketting/spindel
Montagebus basis
Gereedschap montagebus
Afstandsbus montagebus
Opvulschijf montagebus
Veiligheid
Afsluitbaar
SKG**
Anti Flipper
Verhoogde veiligheid
SKG***
ntb VE
Technisch kenmerk 2
Slag 200 mm
Slag 230 of 400 mm instelbaar
Slag 250 mm
Slag 300 mm
Slag 400 mm
Slag 500 mm
Slag 600 mm
Slag 750 mm
Slag 800 mm
Slag 1000 mm
Elektrobeslag type
Kettingmotor
Spindelmotor
Tandheugelmotor
Schaararmmotor
Vergrendelmotor
Besturing
Akotherm dichtingen type
Aanslagdichting
Middendichting
Glasdichting
Diverse dichting
SMO type
Diensten
Notter service onderdelen
Anca service onderdelen
Limburgia service onderdelen
Montagebus
Montageveer
Afdichten en verlijmen
Onderhoud en Reiniging
Waterafvoerkapjes
Doornmaat
10 mm
15 mm
20 mm
22,5 mm
23 mm
25 mm
30 mm
35 mm
40 mm
45 mm
nvt
6,3 mm
variabel 48,5-70 mm
Schuifdeurbeslag type
Schuifdeurwielen
Knijpsluiting
Sluitstuk Schuifdeur
Bijzetslot
Sorteren op:
Aanbevolen
Prijs laag naar hoog
Prijs - hoog naar laag
Nieuwste binnengekomen
Naam
Bestelnr.
Kleur
Omschrijving
VE
VRD
Prijs excl. BTW
Bestel
132-513903
Alu EV1
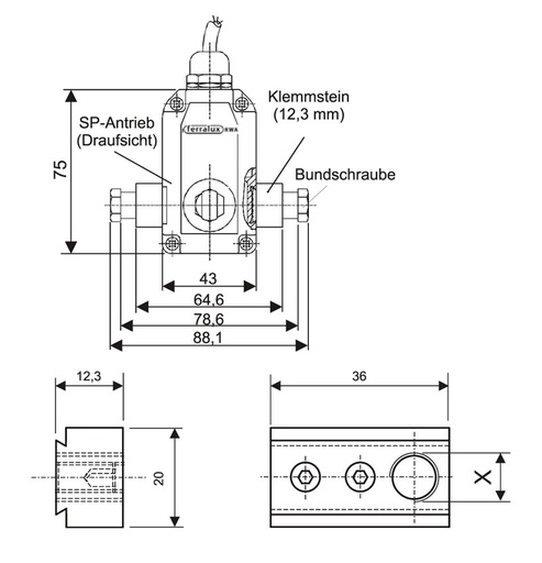
2xKlemmstein dnn, SP-motor Aluminium mit Bohrung8,1mm, b = 20 mm
Binnenkort voorradig
Levertijd in werkweken (±): 3
1
Aantal
Prijs ex btw
1 - 9
€
30,33
Vanaf 10
€
26,37
10-014.156.00
Diverse
Set vleugel- en kozijndelen STH-G AL 2000 horizontaal ,greepbediend, zonder greep, zonder scharn., Groep 12,12A en 12B
Binnenkort voorradig
Levertijd in werkweken (±): 3
1
Aantal
Prijs ex btw
1 - 9
€
26,74
Vanaf 10
€
23,25
144-40-0200-064
Diverse
HOP 2D verstelbare bovenspeun horizontaal en verticaal, voor taatsdeurscharnier [BS-30].
Voorraad ≥ 5
1
Aantal
Prijs ex btw
1 - 9
€
161,40
Vanaf 10
€
153,71
132-524213
Staal verzinkt
Consolenset Typ B voor KSA motor
Binnenkort voorradig
Levertijd in werkweken (±): 3
1
Aantal
Prijs ex btw
1 - 9
€
26,43
Vanaf 10
€
22,98
50-30.39.12.40
Alu EV1
Deurknop rond, vast, langschild M6, 92 mm, naturel,binnendeel voor Sanoco 8000 SKG** serie.
Binnenkort voorradig
Levertijd in werkweken (±): 3
1
Aantal
Prijs ex btw
1 - 9
€
33,72
Vanaf 10
€
29,32
144-40-0200-018
Zwart Mat
HOP Basic Vloerplaat zwart, voor taatsdeurscharnier (VP-10), PE = VE = 1 Stuks
Voorraad ≥ 5
1
Aantal
Prijs ex btw
1 - 9
€
36,25
Vanaf 10
€
34,52
132-513902
Alu EV1
2xKlemmstein dnn, SP-motor Aluminium mit 2x 12mmBundschrauben, b = 20 mm
Binnenkort voorradig
Levertijd in werkweken (±): 3
1
Aantal
Prijs ex btw
1 - 9
€
30,88
Vanaf 10
€
26,85
50-30.39.12.46
Alu EV1
Deurknop vierkant, draaibaar, langschild M6, 92 mm,naturel, binnendeel voor Sanoco 8000 SKG** serie.
Binnenkort voorradig
Levertijd in werkweken (±): 3
1
Aantal
Prijs ex btw
1 - 9
€
38,85
Vanaf 10
€
33,78
144-40-0200-085
Zwart Mat
HOP Design Vloerplaat voor vloerverwarming smal 42*110 mm - zwart, voor taatsdeurscharnier [VP-20]
Beperkte voorraad < 5
1
Aantal
Prijs ex btw
1 - 9
€
131,71
Vanaf 10
€
125,44
132-513901
Alu EV1
2xKlemmstein dick, SP-motor Aluminium mit 2x12mmSchroef passend fr
Binnenkort voorradig
Levertijd in werkweken (±): 3
1
Aantal
Prijs ex btw
1 - 9
€
30,88
Vanaf 10
€
26,85
70-RB 606/600.06
Diverse
Instelbare montagebus Serie 600. Voor vlakke profielenmet profielkamer H > 19,5mm
Binnenkort voorradig
Levertijd in werkweken (±): 3
1
Aantal
Prijs ex btw
1 - 9
€
1,12
Vanaf 10
€
0,97
144-40-0200-024
Diverse
HOP Vaste bovenspeun, compleet, voor taatsdeurscharnier, (BS-20)
Voorraad ≥ 5
1
Aantal
Prijs ex btw
1 - 9
€
40,18
Vanaf 10
€
38,27
132-513900
Alu EV1
Klemstuk LKS 98-motor
Binnenkort voorradig
Levertijd in werkweken (±): 3
1
Aantal
Prijs ex btw
1 - 9
€
29,19
Vanaf 10
€
25,38
144-40-0200-202
RVS Geborsteld
Afdekkap tbv VP-10 rvs, PE = VE = 1 Stuks
Beperkte voorraad < 5
1
Aantal
Prijs ex btw
1 - 9
€
18,66
Vanaf 10
€
17,77
132-513805.TV
Alu EV1
Tandheugelmotor LKS 1000 tandem 24VDC/1,6A, 1100N,motor en extra meeloopmotor
Binnenkort voorradig
Levertijd in werkweken (±): 3
1
Aantal
Prijs ex btw
1 - 9
€
1.030,00
Vanaf 10
€
895,65
10-030.377.06.88
Zilvergrijs
NOTTER espagnoletkast naar buiten draaiend, 2eenzijdige randbevestiging h.o.h. 88mm, tong 27 mm,zilvergrijs gelakt
Binnenkort voorradig
Levertijd in werkweken (±): 3
1
Aantal
Prijs ex btw
1 - 9
€
41,93
Vanaf 10
€
36,46
71-70000090 (set van 2)
Zwart
Magnotica kleur zwart, voor taatsdeurscharnier
Beperkte voorraad < 5
1
Aantal
Prijs ex btw
1 - 9
€
53,24
Vanaf 10
€
52,04
132-513805.T
Alu EV1
Tandheugelmotor LKS1000 tandem 24VDC/0,8A 550N, motoren meeloopstang
Binnenkort voorradig
Levertijd in werkweken (±): 3
1
Aantal
Prijs ex btw
1 - 9
€
766,18
Vanaf 10
€
666,24
50-30.38.12.46
Alu EV1
Deurknop vierkant, draaib., langsch., 92 mm, naturel,buitendeel voor Sanoco 8000 SKG** serie.
Binnenkort voorradig
Levertijd in werkweken (±): 3
1
Aantal
Prijs ex btw
1 - 9
€
54,79
Vanaf 10
€
47,64
23-30.79.12.60
Alu EV1
S-langschild 260 mm, met deurgreep 60, PC BI, naturel,gaten M6
Binnenkort voorradig
Levertijd in werkweken (±): 3
1
Aantal
Prijs ex btw
1 - 9
€
47,35
Vanaf 10
€
41,17
18594 | [18594] 132-513903
2xKlemmstein dnn, SP-motor Aluminium mit Bohrung8,1mm, b = 20 mm
Op bestelling
Levertijd in overleg
Aantal
Prijs ex btw
1 - 9
€
30,33
Vanaf 10
€
26,37
05696 | [05696] 10-014.156.00
Set vleugel- en kozijndelen STH-G AL 2000 horizontaal ,greepbediend, zonder greep, zonder scharn., Groep 12,12A en 12B
Op bestelling
Levertijd in overleg
Aantal
Prijs ex btw
1 - 9
€
26,74
Vanaf 10
€
23,25
O0136 | [O0136] 144-40-0200-064
HOP 2D verstelbare bovenspeun horizontaal en verticaal, voor taatsdeurscharnier [BS-30].
Voorraad ≥ 5
Aantal
Prijs ex btw
1 - 9
€
161,40
Vanaf 10
€
153,71
18638 | [18638] 132-524213
Consolenset Typ B voor KSA motor
Op bestelling
Levertijd in overleg
Aantal
Prijs ex btw
1 - 9
€
26,43
Vanaf 10
€
22,98
05703 | [05703] 50-30.39.12.40
Deurknop rond, vast, langschild M6, 92 mm, naturel,binnendeel voor Sanoco 8000 SKG** serie.
Op bestelling
Levertijd in overleg
Aantal
Prijs ex btw
1 - 9
€
33,72
Vanaf 10
€
29,32
O0181 | [O0181] 144-40-0200-018
HOP Basic Vloerplaat zwart, voor taatsdeurscharnier (VP-10), PE = VE = 1 Stuks
Voorraad ≥ 5
Aantal
Prijs ex btw
1 - 9
€
36,25
Vanaf 10
€
34,52
18593 | [18593] 132-513902
2xKlemmstein dnn, SP-motor Aluminium mit 2x 12mmBundschrauben, b = 20 mm
Op bestelling
Levertijd in overleg
Aantal
Prijs ex btw
1 - 9
€
30,88
Vanaf 10
€
26,85
05708 | [05708] 50-30.39.12.46
Deurknop vierkant, draaibaar, langschild M6, 92 mm,naturel, binnendeel voor Sanoco 8000 SKG** serie.
Op bestelling
Levertijd in overleg
Aantal
Prijs ex btw
1 - 9
€
38,85
Vanaf 10
€
33,78
O0182 | [O0182] 144-40-0200-085
HOP Design Vloerplaat voor vloerverwarming smal 42*110 mm - zwart, voor taatsdeurscharnier [VP-20]
Beperkte voorraad < 5
Aantal
Prijs ex btw
1 - 9
€
131,71
Vanaf 10
€
125,44
18592 | [18592] 132-513901
2xKlemmstein dick, SP-motor Aluminium mit 2x12mmSchroef passend fr
Op bestelling
Levertijd in overleg
Aantal
Prijs ex btw
1 - 9
€
30,88
Vanaf 10
€
26,85
05843 | [05843] 70-RB 606/600.06
Instelbare montagebus Serie 600. Voor vlakke profielenmet profielkamer H > 19,5mm
Op bestelling
Levertijd in overleg
Aantal
Prijs ex btw
1 - 9
€
1,12
Vanaf 10
€
0,97
O0216 | [O0216] 144-40-0200-024
HOP Vaste bovenspeun, compleet, voor taatsdeurscharnier, (BS-20)
Voorraad ≥ 5
Aantal
Prijs ex btw
1 - 9
€
40,18
Vanaf 10
€
38,27
18591 | [18591] 132-513900
Klemstuk LKS 98-motor
Op bestelling
Levertijd in overleg
Aantal
Prijs ex btw
1 - 9
€
29,19
Vanaf 10
€
25,38
O0514 | [O0514] 144-40-0200-202
Afdekkap tbv VP-10 rvs, PE = VE = 1 Stuks
Beperkte voorraad < 5
Aantal
Prijs ex btw
1 - 9
€
18,66
Vanaf 10
€
17,77
18589 | [18589] 132-513805.TV
Tandheugelmotor LKS 1000 tandem 24VDC/1,6A, 1100N,motor en extra meeloopmotor
Op bestelling
Levertijd in overleg
Aantal
Prijs ex btw
1 - 9
€
1.030,00
Vanaf 10
€
895,65
07538 | [07538] 10-030.377.06.88
NOTTER espagnoletkast naar buiten draaiend, 2eenzijdige randbevestiging h.o.h. 88mm, tong 27 mm,zilvergrijs gelakt
Op bestelling
Levertijd in overleg
Aantal
Prijs ex btw
1 - 9
€
41,93
Vanaf 10
€
36,46
35264 | [35264] 71-70000090 (set van 2)
Magnotica kleur zwart, voor taatsdeurscharnier
Beperkte voorraad < 5
Aantal
Prijs ex btw
1 - 9
€
53,24
Vanaf 10
€
52,04
18588 | [18588] 132-513805.T
Tandheugelmotor LKS1000 tandem 24VDC/0,8A 550N, motoren meeloopstang
Op bestelling
Levertijd in overleg
Aantal
Prijs ex btw
1 - 9
€
766,18
Vanaf 10
€
666,24
07924 | [07924] 50-30.38.12.46
Deurknop vierkant, draaib., langsch., 92 mm, naturel,buitendeel voor Sanoco 8000 SKG** serie.
Op bestelling
Levertijd in overleg
Aantal
Prijs ex btw
1 - 9
€
54,79
Vanaf 10
€
47,64
08030 | [08030] 23-30.79.12.60
S-langschild 260 mm, met deurgreep 60, PC BI, naturel,gaten M6
Op bestelling
Levertijd in overleg
Aantal
Prijs ex btw
1 - 9
€
47,35
Vanaf 10
€
41,17
67
68
69
70
71